Примеры тепломеханических схем и схем водоснабжения

Примеры схем предоставил Виктор Левченко
Бак-аккумулятор с нагревом ГВС, скважный насос с фильтрами, преднагрев вентиляции
Бак-аккумулятор с нагревом ГВС, скважный насос с фильтрами, преднагрев вентиляции
Газовая котельная и линией от котла-утилизатора зазовой турбины, бойлер, отопление
Газовая котельная и линией от котла-утилизатора зазовой турбины, бойлер, отопление
Газовые и электрокотел, отопление, бойлер, сауна от бойлера
Газовые и электрокотел, отопление, бойлер, сауна от бойлера
Газовый и твердотопливный котел, бак аккумулятор тепла, отопление
Газовый и твердотопливный котел, бак аккумулятор тепла, отопление
Газовый и электро котел последовательно
Газовый и электро котел последовательно
Газовый и электрокотел, вентиляция, отопление, бойлер ГВС
Газовый и электрокотел, вентиляция, отопление, бойлер ГВС
Газовый котел и бак-аккумулятор. Вариант 1
Газовый котел и бак-аккумулятор. Вариант 1
Газовый котел и бак-аккумулятор. Вариант 2
Газовый котел и бак-аккумулятор. Вариант 2
Газовый котел, бак-аккумулятор с нагревом ГВС, скважный насос с фильтрами, преднагрев вентиляции
Газовый котел, бак-аккумулятор с нагревом ГВС, скважный насос с фильтрами, преднагрев вентиляции
Газовый котел, бойлер косвенного нагрева, отопление, бассейн
Газовый котел, бойлер косвенного нагрева, отопление, бассейн
Газовый котел, бойлер, отопление, умягчение, бак запаса воды, насос
Газовый котел, бойлер, отопление, умягчение, бак запаса воды, насос
Газовый котел, теплоаккумулятор, теплые полы, скважина
Газовый котел, теплоаккумулятор, теплые полы, скважина
Газовый котел, электрокотел, бойлер, отопление, умягчение
Газовый котел, электрокотел, бойлер, отопление,  умягчение
Газовый напольник, электро и гелиосистема, отопление, ГВС, бассейн
Газовый напольник, электро и гелиосистема, отопление, ГВС, бассейн
Газовый настенник, бойлер, насосные группы
Газовый настенник, бойлер, насосные группы
Гелио, нагрев ГВС 30 гелиополей
Гелио, нагрев ГВС 30 гелиополей
Два газовых котла, два чиллера, два бойлера, отопление от фанкойлов
Два газовых котла, два чиллера, два бойлера, отопление от фанкойлов
Два газовых котла, отопление, вентиляция
Два газовых котла, отопление, вентиляция
Два жаротрубных котла
Два жаротрубных котла
Два тепловых насоса, нагрев ГВС и бассейна
Два тепловых насоса, нагрев ГВС и бассейна
Два электрокотла, два бойлера, отопление
Два электрокотла, два бойлера, отопление
Каскад 3 газовых котла и бойлер
Каскад 3 газовых котла и бойлер
Каскад 4х газовых настенников, бойлер, отопление
Каскад конденсационных котлов спец. клапаны
Каскад конденсационных котлов спец. клапаны
Каскад конденсационных котлов
Каскад конденсационных котлов
Каскад настеных газовых котлов, бойлер, отопление
Каскад настеных газовых котлов, бойлер, отопление
Каскад тепловых насовов
Каскад тепловых насосов + твердротопливный котел
Каскад ТН, твердотопливный котел, гелио
Каскад ТН, твердотопливный котел, гелио
Колдец и погружной насос, фильтры, гидроаккумулятор
Колдец и погружной насос, фильтры, гидроаккумулятор
Колодец с насосом, ввод в дом
Колодец с насосом, ввод в дом
Конденсационные и электрокотел, бойлер с преднагревом, вентиляция, отопление и бассейн
Конденсационные и электрокотел, бойлер с преднагревом, вентиляция, отопление и бассейн
Конденсационный котел, нагрев вентиляции, отопление, бойлер ЗАМОРОЧКА
Конденсационный котел, нагрев вентиляции, отопление, бойлер ЗАМОРОЧКА
Котел газоавй с аккумулятором
Котел газоавй с аккумулятором
Котельная на 3 дома, спорная схема
Котельная на 3 дома, спорная схема
Котельная с нагревом вентиляции
Котельная с нагревом вентиляции
Котельная Форос ул. Терлецкого
Котельная Форос ул. Терлецкого
Котельная, насосная, умягчение
Котельная, насосная, умягчение
Котлы газовы, твердотопливный, электрический и бойлер
Котлы газовы, твердотопливный, электрический и бойлер
Нагрев ГВС .ТН и электрокотел
Нагрев ГВС .ТН и электрокотел
Нагрев ГВС и бассейна от теплового насоса
Нагрев ГВС и бассейна от теплового насоса
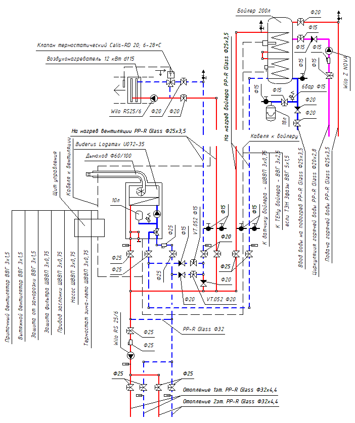
Нагрев ГВС и вентиляции от газового котла и гелиосистемы
Нагрев ГВС и вентиляции от газового котла и гелиосистемы
Нагрев ГВС Кирриловка
Нагрев ГВС Кирриловка
Нагрев ГВС от 2х гелиополей, восток-запад
Нагрев ГВС от 2х гелиополей, восток-запад
Нагрев ГВС от 30-ти гелиоколлекторов
Нагрев ГВС от 30-ти гелиоколлекторов
Нагрев ГВС от ТН, зимой от теплотрассы
Нагрев ГВС от ТН, зимой от теплотрассы
Нагрев ГВС, котел и бойлер в разных домах, с трехходовыми (1)
Нагрев ГВС, котел и бойлер в разных домах, с трехходовыми (1)
насосная с баками запаса по 5000л, два насоса с частотниками
насосная с баками запаса по 5000л, два насоса с частотниками
Насосная с баком и скважина
Насосная с баком и скважина
Один насос, на радиаторы и ТП
Один насос, на радиаторы и ТП
Одноконтурный котел и вентиляция, без допнасосов
Одноконтурный котел и вентиляция, без допнасосов
Отопление и ГВС от бака-аккумулятора. Вариант 1
Отопление и ГВС от бака-аккумулятора. Вариант 1
Отопление и ГВС от бака-аккумулятора. Вариант 2
Отопление и ГВС от бака-аккумулятора. Вариант 2
Отопление и ГВС от бака-аккумулятора. Вариант 3
Отопление и ГВС от бака-аккумулятора. Вариант 3
Отопление и ГВС от электрокотла, простая схема
Отопление и ГВС от электрокотла, простая схема
Отопление, ГВС и вентиляция от газового котла
Отопление, ГВС и вентиляция от газового котла
Охлаждение приточки от бапков запаса водв, для кухонь
Охлаждение приточки от бапков запаса водв, для кухонь
Подключение вентиляции через теплообменник
Подключение вентиляции через теплообменник
Подогрев воздуха и точвы в теплицах, тердотопливные котлы с ТЭНами
Подогрев воздуха и точвы в теплицах, тердотопливные котлы с ТЭНами
Последовательно электро- и твердотопливный котлы, бойлер, отопление
Последовательно электро- и твердотопливный котлы, бойлер, отопление
Последовательное подключение источников
Последовательное подключение источников
Последовательное подключение конденсационный и стандартный котлы
Последовательное подключение конденсационный и стандартный котлы
Последовательное подключение потребителей, котел на кухне
Последовательное подключение потребителей, котел на кухне
Последовательный и параллельный каскад котлов
Последовательный и параллельный каскад котлов
Последовательный и параллельный каскад котлов
Простая насосная с баком
Простая насосная с баком
Простая схема насосной
Простая схема насосной
Радиаторы и теплый пол на одном насосе
Радиаторы и теплый пол на одном насосе
Сдвоенный конденсационный котел, отопление, бойлер, перекачка конденсата
Сдвоенный конденсационный котел, отопление, бойлер, перекачка конденсата
Семидворье ТН
Семидворье ТН
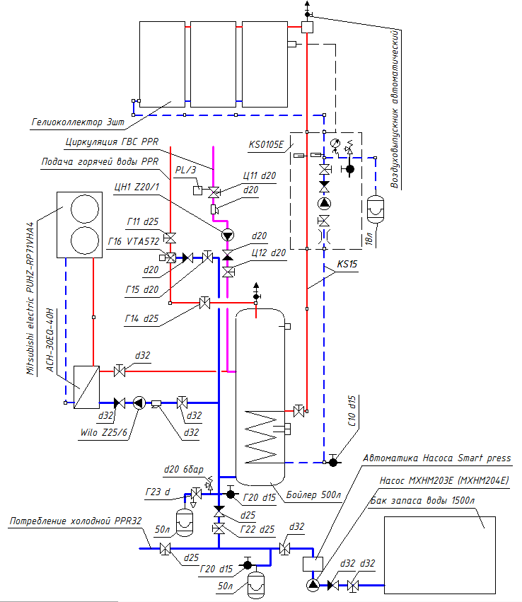
Система водоснабжения из бака запаса 1500л с нагревом от гелиосистемы и ТН
Система водоснабжения из бака запаса 1500л с нагревом от гелиосистемы и ТН
Скважина и ввод вдом
Скважина и ввод вдом
Скважина с кессоном
Скважина с кессоном
Скважный насос, башня, сетевой насос, бак запаса, насос бака запаса
Скважный насос, башня, сетевой насос, бак запаса, насос бака запаса
Смесительный узел не стандартный
Смесительный узел не стандартный
Схема котельной (0)
Схема котельной (1)
Схема котельной Гурзуф 9мая
Схема котельной с Чиллерами (3)
Схема котельной с Чиллером (2)
Твердотопливная котельнаяс баком аккумулятором, СПОРНАЯ схема
Твердотопливная котельнаяс баком аккумулятором, СПОРНАЯ схема
Тепловой насос, гелио, бак в баке
Тепловой насос, гелио, бак в баке
Тепловой насос, гелиосистема, электродогрев
Тепловой насос, гелиосистема, электродогрев
Тепловой пункт коттеджа
Тепловой пункт коттеджа
Теплопункт с двумя бойлерами
Теплопункт с двумя бойлерами
ТН и газовй котел, гелио, последовательное подключение потребмтелей
ТН и газовй котел, гелио, последовательное подключение потребмтелей
ТН и электрокотел, бойлер
ТН и электрокотел, бойлер
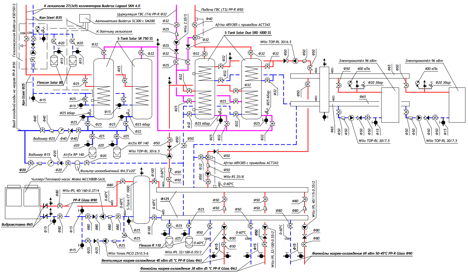
ТН нагрев-охлаждение, электрокотел, гелиосистема, бойлер
ТН нагрев-охлаждение, электрокотел, гелиосистема, бойлер
Чиллер для зрительного зала
Чиллер для зрительного зала
Чиллер охлаждение-нагрев, электрокотлы, гелиосистема на нагрев ГВС, преднагрев ГВС от чиллера
Чиллер охлаждение-нагрев, электрокотлы, гелиосистема на нагрев ГВС, преднагрев ГВС от чиллера
Эволюция проектирования нагрева ГВС (1)
Эволюция проектирования нагрева ГВС (1)
Эволюция проектирования нагрева ГВС (2)
Эволюция проектирования нагрева ГВС (2)
Электро и твердотопливный котлы, бойлер, отопление
Электро и твердотопливный котлы, бойлер, отопление
Электрокотельная 2 котла, 2 бойлера, отопление, теплые пол
Электрокотельная 2 котла, 2 бойлера, отопление, теплые пол